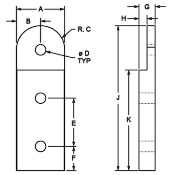
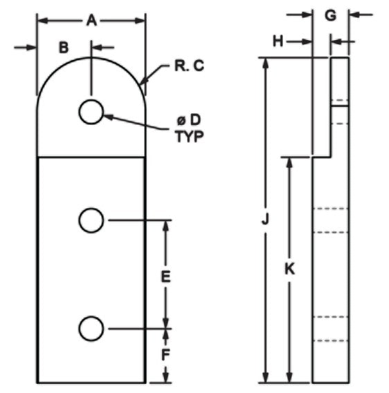
40 Series 3 Hole – Recessed Straight Pivot Plate
Couldn't load pickup availability
The 40 Series 3-Hole Recessed Straight Pivot Plate is a simple yet strong external connector designed to join aluminium profiles at custom angles. The recessed design removes the need for a pivot nub, allowing two plates to be used together to create a secure, adjustable joint without machining.
Made from high-quality milled aluminium with an anodised finish, this pivot plate delivers a durable connection that’s easy to assemble, reposition, and reuse — perfect for modular framing, fixtures, and custom structures.
Key Features:
-
Creates custom pivot connections between 40 Series profiles
-
Recessed pivot design — no nub required
-
No machining needed: quick to install and reposition
-
Use double slide-in economy T-nut and bolt assemblies to save time and cost
-
Pre-load hardware before assembling to simplify installation.
| Series | 40 Series |
| Material | Aluminum |
| Grade | 6105-T5 |
| Process | Milled |
| Finish | Anodize |
| Color | Clear |
| A | 80.00mm |
| B | 40.00mm |
| C | 20.00mm |
| D | 8.30mm |
| E | 40.00mm |
| F | 20.00mm |
| G | 40.00mm |
| H | 20.00mm |
| J | 12.00mm |
| K | 6.00mm |
| L | 80.00mm |
| M | 120.00mm |
| Weight | 0.5042 |

