40 Series 5-Hole Recessed Triangular Pivot Plate
Couldn't load pickup availability
The 40 Series 5-Hole Recessed Triangular Pivot Plate is a versatile external connector designed to join 40 Series aluminium profiles at custom angles without the need for machining. This pivot plate is used in pairs to create adjustable angle joints — the recessed design removes the need for a pivot nub, simplifying assembly and eliminating extra parts.
Made from high-quality milled aluminium with an anodised finish, this pivot plate provides a strong, reusable connection that’s quick to assemble, easy to reposition, and ideal for modular framing, brackets, fixtures, and adjustable structures.
Key Features:
• Designed for 40 Series profiles — creates custom pivot connections without machining
• Recessed triangular design eliminates the need for a nub
• Durable and reusable — perfect for adjustable or reconfigurable assemblies
• Compatible with standard T-nuts and bolts for simple installation
Installation Tips:
• Use double slide-in economy T-nuts and bolts to save time and money
• Pre-load hardware before connecting profiles to streamline assembly
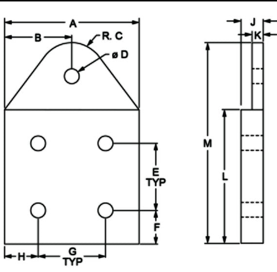
| Series | 40 Series |
| Material | Aluminum |
| Grade | 6105-T5 |
| Process | Milled |
| Finish | Anodize |
| Color | Clear |
| A | 80.00mm |
| B | 40.00mm |
| C | 20.00mm |
| D | 8.30mm |
| E | 40.00mm |
| F | 20.00mm |
| G | 40.00mm |
| H | 20.00mm |
| J | 12.00mm |
| K | 6.00mm |
| L | 80.00mm |
| M | 120.00mm |
| Weight | 0.5042 |

